

ReSpeaker Mic Array v3.0 XVF3000:

Hardware Overview
Hardware Overview

Pin_Map

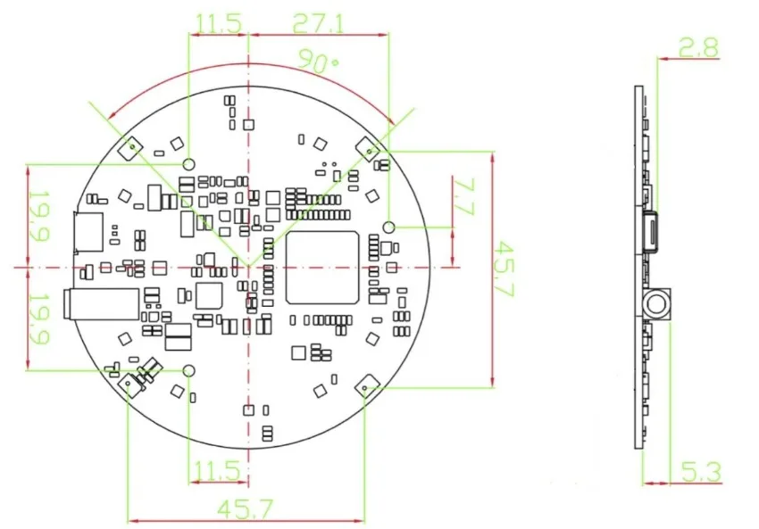
Dimension




Application
Speech algorithms and features
USB Voice Capture
Smart Speaker
Intelligent Voice Assistant Systems
Voice Recorders
Voice Conferencing System
Meeting Communicating Equipment
Voice Interacting Robot
Car Voice Assistant
Other Voice Interface Scenarios
Part List
Part List
ReSpeaker Mic Array v3.0 x1
ReSpeaker Mic Array v3.0 XVF3000 with Case:

Hardware Overview






① XMOS XVF-3000: It integrates advanced DSP algorithms that include Acoustic Echo Cancellation (AEC), beamforming, dereverberation, noise suppression and gain control.
② Digital Microphone: The MP34DT01-M is an ultra-compact, lowpower, omnidirectional, digital MEMS microphone built with a capacitive sensing element and an IC interface.
③ RGB LED: Three-color RGB LED.
④ USB Port: Provide the power and control the mic array.
⑤ 3.5mm Headphone jack: Output audio, We can plug active speakers or Headphones into this port.
⑥ TLV320AIC3104: The TLV320AIC3104 is a low-power stereo audio
codec with stereo headphone amplifier, as well as
multiple inputs and outputs that are programmable in
single-ended or fully differential configurations.
Application
NS(Noise Suppression)
Voice pick-up device
Home/Office automation device
In-car voice assistant
Healthcare device
Voice interaction robot
Other applications
When it comes to development we believe you should have as many options as possible. The ReSpeaker USB Mic Array is able to work with most modern Linux, macOS, and Windows systems
Part List
ReSpeaker USB Mic Array x1
USB Type A to Micro USB cable x1
Instruction Card x1
ReSpeaker XMOS XVF3800 :
A professional 4-mic circular array based on XMOS XVF3800, enabling clear target voice capture in noisy environments.
Features dual modes, 360°far-field voice pickup (up to 5m), AEC, AGC, DoA, VAD, dereverberation, beamforming, and noise suppression.
Feature
XMOS XVF3800 Upgrade
Smarter voice processing for clearer voice capture—even in noisy environment.
Advanced Audio Processing
Clear capture in tough environments—featuring Acoustic Echo Cancellation(AEC), multi-beamforming, de-reverberation, direction of arrival(DoA) detection, dynamic noise suppression, 60dB Automatic Gain Control(AGC).
4-Microphone Circular Array
360° far-field voice pickup up to 5 meters, cuts through noise and echoes effortlessly.
Plug-and-Play Simplicity
Standard USB interface enables easy connection with any USB-enabled device - from SBCs like Raspberry Pi and NVIDIA Jetson to PCs running Windows, Linux, or macOS. No drivers or complex setup required.
I2S Interface for MCU Integration
Direct I2S support allows seamless integration with MCU platforms like XIAO Series and Arduino, enabling embedded voice applications with minimal hardware overhead.
Compact Design for Embedded Applications
Bottom-firing microphones and a flat PCB for easy embedding into space-constrained devices without obstruction.
Hardware Overview
Application
Smart Voice Assistants:
Seamlessly integrates with Amazon Alexa, Google Assistant, Home Assistant, and other mainstream voice platforms for far-field voice control and smart home automation.
Conference Systems:
Compatible with Microsoft Teams, Zoom, and other popular conferencing software via USB Audio Class 2.0, delivering clear multi-person audio pickup and real-time status feedback.
Audio Processing Development:
Ideal for developers working on audio signal processing, speech recognition, and acoustic algorithm prototyping with open-source platform support.
Robotics Voice Interaction & Control:
Enables 360° voice localization, voice command recognition, and noise suppression for interactive robots, smart toys, and voice-controlled machines.
Industrial Voice Control:
Supports robust voice command applications in factory, retail, and commercial environments, offering reliable performance in noisy and complex scenarios.
Part List
ReSpeaker XVF3800 – USB 4-Mic Array x1
ReSpeaker XMOS XVF3800 with Case :
Part List
ReSpeaker XVF3800 With Case – USB 4-Mic Array x1
ReSpeaker XMOS XVF3800 with XIAO ESP32S3 :
Feature
Pre-soldered XIAO ESP32S3
A fully assembled, ready-to-use wireless voice solution featuring built-in Wi-Fi and Bluetooth connectivity. No soldering needed, ensuring easy integration into your projects.
XMOS XVF3800 Upgrade
Smarter voice processing for clearer voice capture—even in noisy environment.
Advanced Audio Processing
Clear capture in tough environments—featuring Acoustic Echo Cancellation(AEC), multi-beamforming, de-reverberation, direction of arrival(DoA) detection, dynamic noise suppression, 60dB Automatic Gain Control(AGC).
4-Microphone Circular Array
360° far-field voice pickup up to 5 meters, cuts through noise and echoes effortlessly.
Plug-and-Play Simplicity
Easy setup with USB interface—compatible with Raspberry Pi, NVIDIA Jetson, and PCs running Windows, Linux, or macOS. No complex setup needed.
Compact Design for Embedded Applications
Bottom-firing microphones and a flat PCB for easy embedding into space-constrained devices without obstruction.




ReSpeaker XVF3800 With XIAO ESP32S3 – USB 4-Mic Array x1 |